Promo banner
  • DIY experts since 1960
  • Manual owners save $3349 on average each year
  • Over 200 million manuals sold worldwide

Haynes

Print & Online Deal: Subaru Forester 2008-2018, Liberty/Outback 2009-2019

$69.95 Was $119.90

Best value
Available Formats
  • Free shipping on orders over $79.00
  • Get instant access to the online manual
  • Best value - both print and online options included
  • Book despatches in 1-2 business days

Description

Looking for a great value DIY solution for your car? The Print & Online Bundle gives you comprehensive service, maintenance and repair information for your car at a great value price. Regular maintenance not only helps to keep your car running smoothly, but it also enhances safety and helps you avoid breakdowns and disruption.

Choosing a Bundle gives you the best of both worlds - not only will you own a printed Haynes manual with beginner-friendly, step-by-step service and repair instructions for your vehicle, but you'll also get full, instant access to an online version, including bonus video content and interactive illustrations.

In a recent survey, Haynes manual owners said they saved $3349 each year by working on their own car. This Print & Online Bundle makes enjoying these savings easier than ever, so no matter what your skill level you can start experiencing the benefits of doing it yourself.

What's Included with the Subaru Forester 2008-2018, Liberty/Outback 2009-2019?
  • A Haynes book, despatched from our Australian warehouse
  • Immediate online access to the full manual on any device
  • Bonus DIY video content
  • Step-by-step instructions based on a full stripdown and rebuild of the vehicle
  • DIY-friendly tips and techniques, written by the Haynes team
  • Fault Finder detailing 400+ common issues for your car
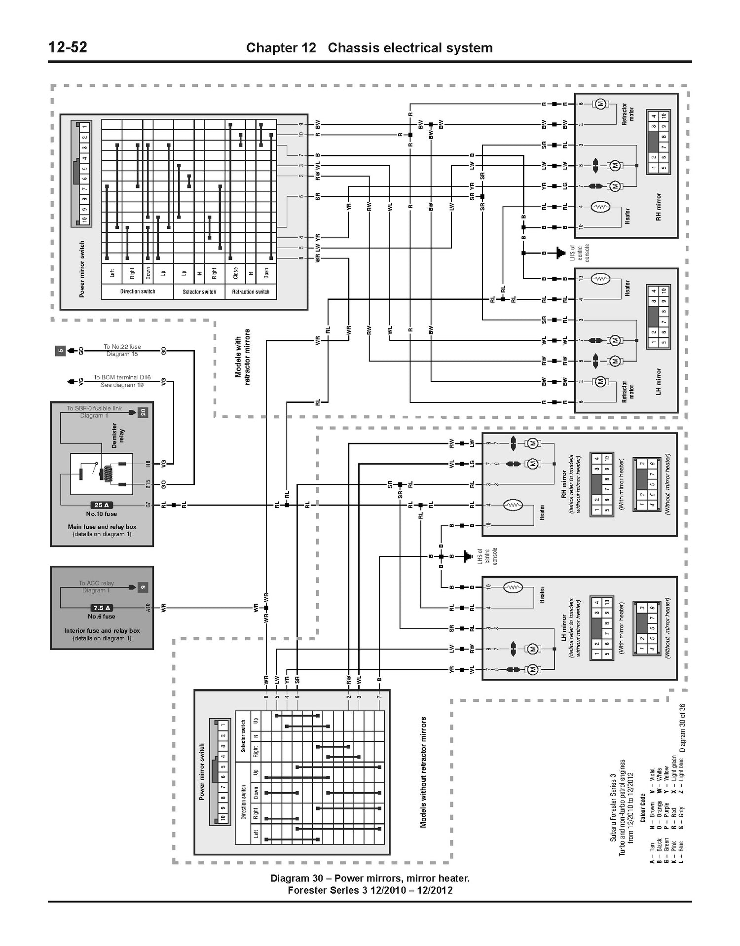
  • Wiring diagrams for key vehicle systems
  • Over 700 pictures and illustrations to make tricky jobs easier
  • Zoom functionality on online colour illustrations

Benefits

  • Great Value for Money
    Get both a print and an online manual for a special price

    Great Value for Money

    Choosing a Bundle is a great way to save even more money on servicing and maintaining your bike - you'll own both an instant-access Online Manual and its print book equivalent in the post.

  • Based on a Stripdown and Rebuild
    Detailed instructions created by trusted DIY experts

    Based on a Stripdown and Rebuild

    This manual was created by completely stripping apart a vehicle and putting it back together again, leaving no bolt, panel or component unexplored.

  • Work Safely Using Wiring Diagrams
    Make changes and repairs with confidence.

    Work Safely Using Wiring Diagrams

    Making electrical changes can be challenging, so it's crucial you have clear guidance and expertly written advice to hand. Haynes' wiring diagrams give you precise instructions on how to repair and modify key systems, allowing to work with confidence.

  • Beginner Friendly Instructions
    Start your DIY journey with step-by-step instructions

    Beginner Friendly Instructions

    Haynes is known for being DIY-friendly This manual contains user-friendly specs and step-by-step instructions to help you get the job done, even if you're brand new to vehicle repair.

  • Clear Pictures & Diagrams
    Enhance your understanding of written instructions

    Clear Pictures & Diagrams

    Written guides are easier to follow with accompanying images. This manual contains illustrations, pictures and diagrams sit alongside step-by-step instructions, helping you get a clearer understanding of what's required and tackle the job with confidence.

  • Easy-to-Use Fault Finder
    Solve hundreds of common issues with the diagnostic guide

    Easy-to-Use Fault Finder

    Is there a leak, or maybe a broken spring? Haynes's guided fault finder will help you get to the bottom of some of the most common issues associated with your vehicle. Run through a list of symptoms and hone in on the right fix.

Need Help Choosing?

Your DIY Solutions Explained

Empower Yourself with DIY

Save Money on Subaru Maintenance & Repairs

On average, Haynes owners save $3349 every year working on their own car. Our manuals teach you the skills to keep your car out of the garage.

Customer Testimonials

Trusted by DIYers since 1960

Over 200 Million Manuals Sold Worldwide

For decades we've been empowering people with our DIY manuals, enabling everyone from beginners to seasoned pros to confidently tackle maintenance and repair tasks at home.

Recommended Car Blogs

Discover More DIY Advice

Not the Right Manual?

Search for Your Vehicle

Enter your REGO or make/model to find the manual that matches your needs best.