Promo banner
  • DIY experts since 1960
  • Manual owners save $3349 on average each year
  • Over 200 million manuals sold worldwide

Rellim

Rellim Wiring Diagrams Vol 7

$175.00

  • Free shipping on orders over $79.00
  • Despatched in 1-2 business days
  • The original print manual

Description

The Rellim Wiring Diagrams series provides complete, all-of-vehicle diagrams in an easy-to-follow, common format. Components are identified by common symbols and clearly labelled, and earth point locations are provided.


Ford
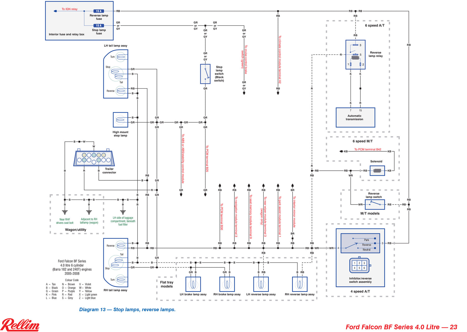
Falcon BF, 4.0 Litre 6 cylinder (Barra 182) 2005 – 2008
Falcon BF, 4.0 Litre 6 cylinder Turbo (Barra 240T) 2005 – 2008
Territory SY, 4.0 Litre 6 cylinder (Barra 182) from 2005
Territory SY, 4.0 Litre 6 cylinder Turbo (Barra 240T) from 2005

Holden
Commodore VZ, 5.7 Litre V8 (Generation III) & 6.0 Litre V8 (Generation IV) 2004 – 2006
Commodore Commercial VZ, 5.7 Litre V8 (Generation III) & 6.0 Litre V8 (Generation IV) 2004 – 2007
Monaro VZ, 5.7 Litre V8 (Generation III) 2004 – 2005
Statesman-Caprice WL, 5.7 Litre V8 (Generation III) & 6.0 Litre V8 (Generation IV) 2004 – 2006

Mazda
Mazda3, 2.0 Litre (LF) 2004 – 2009
Mazda3, 2.3 Litre (L3) 2004 – 2009

Nissan
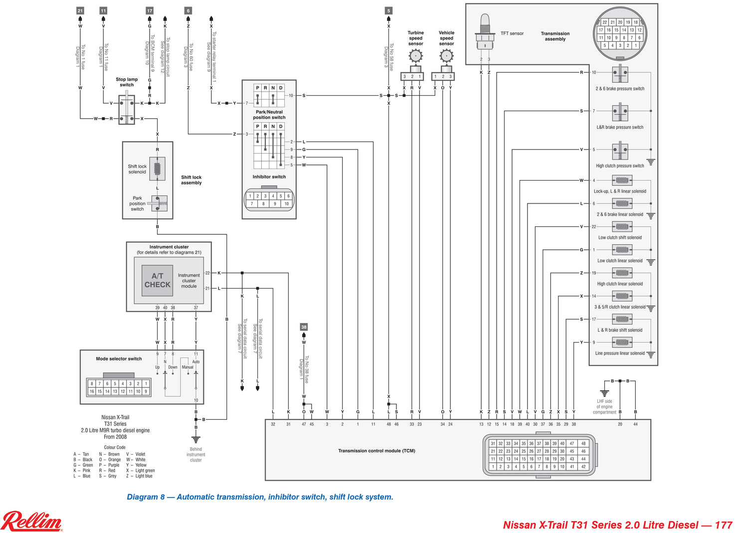
X-Trail T31, 2.5 Litre Petrol (QR25DE) from 2007
X-Trail T31, 2.0 Litre Diesel Turbo (M9R) from 2008

Toyota
Camry ACV40, 2.4 Litre (2AZ-FE) from 2006
Aurion GSV40, 3.0 Litre (2GR-FE) from 2006
Landcruiser UZJ100R, 4.7 Litre V8 Petrol (2UZ-FE) 2002 – 2007

Recommended Blogs

Discover More DIY Advice

Empower Yourself with DIY

Save Money on Maintenance and Repairs

In a recent survey, manual owners said they saved $3349 on average each year by working on their own vehicle. Learn the skills to work confidently with Rellim.

Recommended Blogs

Discover More DIY Advice

Not The Right Manual?

Find Your Vehicle

Use our vehicle finder to find your vehicle and see products that are right for you.