Promo banner
  • DIY experts since 1960
  • Manual owners save $3349 on average each year
  • Over 200 million manuals sold worldwide

Rellim

Rellim Wiring Diagrams Vol 5

$175.00

  • Free shipping on orders over $79.00
  • Despatched in 1-2 business days
  • The original print manual

Description

The Rellim Wiring Diagrams series provides complete, all-of-vehicle diagrams in an easy-to-follow, common format. Components are identified by common symbols and clearly labelled, and earth point locations are provided.


Ford
Escape ZA/ZB, 3.0 Litre V6 (Duratec) 2001 – 2006

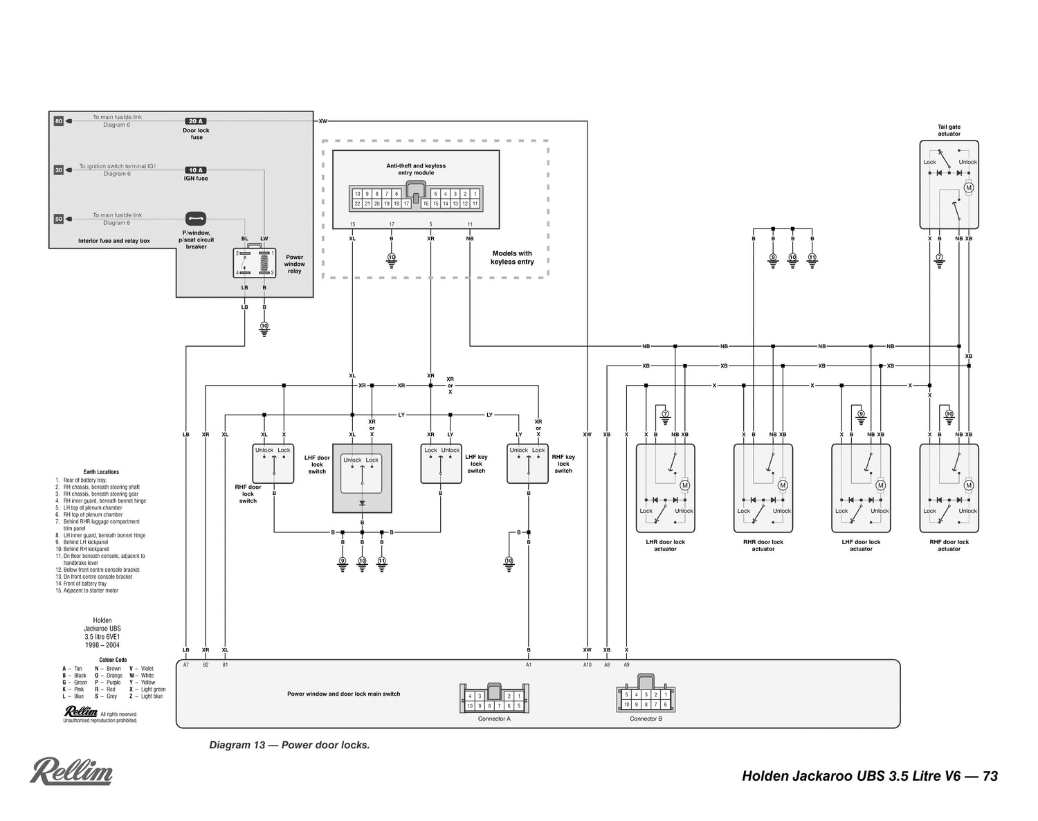
Holden
Jackaroo UBS, 3.5 Litre V6 (6VE1) 1998 – 2004

Hyundai
Carnival, 2.5 Litre (KV6) 1999 – 2006

Mazda
Mazda6 2.3 Litre, (L3/MZR) 2002 – 2005

Magna TL/TW, 3.5 Litre V6 (6G74) 2003 – 2005
Verada KL/KW, 3.5 Litre V6 (6G74) 2003 – 2005
Pajero NM/NP, 3.5 Litre V6 Petrol (6G74) 2000 – 2004
Pajero NM, 2.8 Litre Diesel Turbo (4M40) 2000 – 2002
Pajero NM, NP, 3.2 Litre Diesel Turbo (4M41) 2002 – 2006

Toyota
Corolla ZZE122R, 1.8 Litre (1ZZ-FE) from 2001
Corolla Sportivo ZZE122R, 1.8 Litre (2ZZ-GE) 2003 – 2005
RAV4, 2.0 Litre (1AZ-FE) 2000 – 2003

Recommended Blogs

Discover More DIY Advice

Empower Yourself with DIY

Save Money on Maintenance and Repairs

In a recent survey, manual owners said they saved $3349 on average each year by working on their own vehicle. Learn the skills to work confidently with Rellim.

Recommended Blogs

Discover More DIY Advice

Not The Right Manual?

Find Your Vehicle

Use our vehicle finder to find your vehicle and see products that are right for you.