Promo banner
  • DIY experts since 1960
  • Manual owners save $3349 on average each year
  • Over 200 million manuals sold worldwide

Haynes

Ford Fusion Petrol & Diesel (02 – 12) Haynes Repair Manual

$59.95

Out of stock
  • Free shipping on orders over $79.00
  • Despatched in 1-2 business days
  • The original print manual

Description

This Haynes Workshop Repair Manual is an essential resource for anyone looking to service or repair their car at home. Regular maintenance not only helps to keep your vehicle running smoothly, but it also enhances safety and helps you avoid breakdowns and disruption.

In a recent survey, Haynes manual owners said they saved $3349 each year by working on their own car. Our best selling DIY guides make enjoying these savings achievable for anyone, no matter how experienced - get started with step-by-step instructions, 700+ clear illustrations and beginner-friendly advice on maintenance tasks, fault diagnosis and repairs.

What's Included with the Ford Fusion Petrol & Diesel (02 – 12) Haynes Repair Manual?
  • Step-by-step instructions based on a full stripdown and rebuild
  • DIY-friendly tips and techniques written by the Haynes team
  • A time saving Fault Finder detailing 400+ common issues for your car
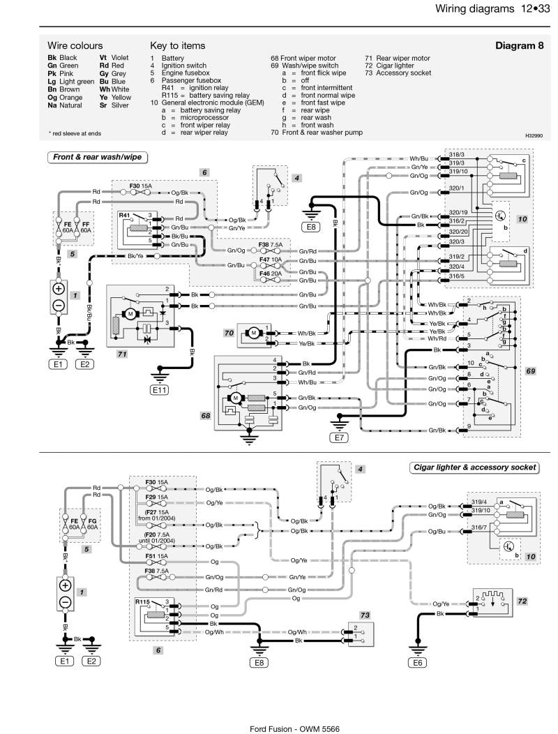
  • Wiring diagrams for key vehicle systems
  • Over 700 pictures and illustrations to make tricky jobs easier
  • A printed book, despatched from our Australian warehouse

More Information

  • Table of Contents

    • Contents
    • Safety First! Roadside repairs Weekly checks
    • Chapter 1A : Routine maintenance and servicing – petrol models
    • Chapter 1B : Routine maintenance and servicing – diesel models
    • Chapter 2A : Petrol engine in-car repair procedures
    • Chapter 2B : 1.4 litre diesel engine in-car repair procedures
    • Chapter 2C : 1.6 litre diesel engine in-car repair procedures
    • Chapter 2D : Engine removal and overhaul procedures
    • Chapter 3 : Cooling, heating and air conditioning systems
    • Chapter 4A : Fuel and exhaust systems – petrol engines
    • Chapter 4B : Fuel and exhaust systems – diesel engines
    • Chapter 4C : Emission control systems
    • Chapter 5A : Starting and charging systems
    • Chapter 5B : Ignition system – petrol models
    • Chapter 5C : Preheating system – diesel models
    • Chapter 6 : Clutch
    • Chapter 7A : Manual transmission
    • Chapter 7B : Durashift EST transmission
    • Chapter 8 : Driveshafts
    • Chapter 9 : Braking system
    • Chapter 10 : Suspension and steering
    • Chapter 11 : Bodywork and fittings
    • Chapter 12 : Body electrical system Wiring diagrams Reference Contents
    • Chapter 12 : Body electrical system Wiring diagrams Reference
  • Coverage

    Hatchback.

    Petrol: 1.4 litre (1388cc) and 1.6 litre (1596cc).Diesel: 1.4 litre (1398cc) and 1.6 litre (1560cc).

Benefits

  • A Print DIY Book
    Make notes in the margins, and keep on your bookshelf for when you need it most.
  • Based on a Stripdown and Rebuild
    Detailed instructions created by trusted DIY experts

    Based on a Stripdown and Rebuild

    This manual was created by completely stripping apart a vehicle and putting it back together again, leaving no bolt, panel or component unexplored.

  • Clear Pictures & Diagrams
    Enhance your understanding of written instructions

    Clear Pictures & Diagrams

    Written guides are easier to follow with accompanying images. This manual contains illustrations, pictures and diagrams sit alongside step-by-step instructions, helping you get a clearer understanding of what's required and tackle the job with confidence.

  • Easy-to-Use Fault Finder
    Solve hundreds of common issues with the diagnostic guide

    Easy-to-Use Fault Finder

    Is there a leak, or maybe a broken spring? Haynes's guided fault finder will help you get to the bottom of some of the most common issues associated with your vehicle. Run through a list of symptoms and hone in on the right fix.

  • Work Safely Using Wiring Diagrams
    Make changes and repairs with confidence.

    Work Safely Using Wiring Diagrams

    Making electrical changes can be challenging, so it's crucial you have clear guidance and expertly written advice to hand. Haynes' wiring diagrams give you precise instructions on how to repair and modify key systems, allowing to work with confidence.

  • Teaches You Technical Terms
    Empower yourself with an overview of technical terms

    Teaches You Technical Terms

    Feel like you're in the dark when speaking with a mechanic? Learning technical terms and likely issues gives you the power to challenge back at the garage, and make sure you're happy and confident with the work they're doing.

Need Help Choosing?

Your DIY Solutions Explained

Empower Yourself with DIY

Save Money on Ford Maintenance & Repairs

On average, Haynes owners save $3349 every year working on their own car. Our manuals teach you the skills to keep your car out of the garage.

Customer Testimonials

Trusted by DIYers since 1960

Over 200 Million Manuals Sold Worldwide

For decades we've been empowering people with our DIY manuals, enabling everyone from beginners to seasoned pros to confidently tackle maintenance and repair tasks at home.

Recommended Car Blogs

Discover More DIY Advice

Not the Right Manual?

Search for Your Vehicle

Enter your REGO or make/model to find the manual that matches your needs best.